Proceedings of the Particle Physics and Early Universe Conference (PPEUC).
For this paper: postscript previous 3 Beam-switching experiments... up Abstract... next 5 Foregrounds...

4 Interferometers 

An alternative to simply squaring the detected voltage to measure the total received power is to multiply the signals from two antennas pointed at the same part of the sky and measure the correlated power. Since this measures the correlation between two different points on the incoming wavefront, the correlated signal contains information about the spatial structure of the source. By sampling the wavefront at different spacings the source structure can be reconstructed (see e.g. Saunders (1997) for an introduction to the theory of interferometric imaging).

The fact that only radiation entering both antennas produces an output signal removes many systematic effects. Receiver stability is no longer an issue as gain fluctuations are uncorrelated between receivers. Most of the emission from the ground and the atmosphere that enters the antennas is uncorrelated, and the component that is correlated is reduced by two further effects. If the path difference from the emission source to the two inputs to the correlator is more than the coherence length () then the signal is strongly attenuated. Also, the rotation of the earth causes the phase of the correlated signal from the sky to vary at a characteristic rate, which is used to synchronously detect the sky signal; all other signals are also strongly attenuated. This means that interferometers can operate in atmospheric conditions which would be impossible for total-power systems (the CAT (O'Sullivan et al. (1995)) is at sea level and yet can observe for 60% of the time). An interferometer array also makes economical use of its front-end amplifiers, the main noise source in the system; an array with antennas measures complex quantites.

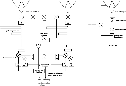
The price for this immunity to many systematics is greatly increased complexity (see Fig 1). An interferometer requires several antennas which can track the sky, each with its own receiver; a path compensation system to keep the paths to each correlator matched to much less than the coherence length; and the correlators themselves, which multiply and integrate the inputs, two per antenna pair (since the correlated signal is complex i.e. has two orthogonal components). It is usual to also phase-modulate the signal as soon as possible and synchronously demodulate it in the correlator, to eliminate any spurious signals in the RF and IF systems. The receiving system must also maintain phase stability over the signal path for at least the time interval between calibrations.

 
Figure 1:  Comparative block diagrams of a single interferometer baseline and a beam-switching system.

This complexity has meant that relatively few CMB measurements have been made so far with interferometers. The VLA, a `general-purpose' interferometer, has been used to search for arcminute-scale CMB fluctuations (with some recent success, see Richards et al. (1997), Partridge (1997)) but is not well optimised for CMB work, having a relatively poorly filled aperture. This concept of filling factor of the synthesised aperture, roughly equal to the total physical area of the antennas divided by the area swept out by the longest baseline, is crucial to the design of CMB interferometers since it enters directly into the temperature sensitivity of the array.

The only fully custom-built CMB interferometer that has so far produced results is the Cosmic Anisotropy Telescope (CAT) (Robson et al. (1993), Scott et al. (1996)). The Ryle Telescope, which is used for Sunyaev-Zel'dovich astronomy as well as primordial CMB work (see section 6) and source-subtraction for the CAT, is a `semi-custom' experiment, in which an existing general-purpose instrument, the 5-km telescope, was converted for CMB work with new receiver and correlator systems. However, there are at least four dedicated CMB interferometers curently being commissioned or constructed: the Tenerife 33 GHz interferometer (NRAL/IAC) (Watson (1997)), the Very Small Array (MRAO/NRAL/IAC), the Cosmic Background Imager (CalTech) and the Very Compact Array (Chicago). All these work in the 26-36 GHz band and between them will cover angular scales of 6 arcmin to 4 degrees.


PPEUC Proceedings
Fri Jul 4 11:20:15 BST 1997